|
Есть вопросы? Наши квалифицированные специалисты готовы проконсультировать вас. Пишите свои вопросы или отправляйте заявку на нашу почту: gt@gigaterm.ru |
Задать вопрос
|
Под заказ
Наши менеджеры обязательно свяжутся с вами и уточнят условия заказа
Самовывоз - бесплатно
Доставка - по тарифу ТК
Доставка - по тарифу ТК
Характеристики
Характеристики
—
a:2:{s:4:"TEXT";s:296:"<img width="888" alt="Характеристики манометров" src="/upload/dev2fun.imagecompress/webp/medialibrary/142/1426cc26583bd4938d2fc78a842081ed/2022-07-08_09-34-04.webp" height="860" title="Характеристики манометров">";s:4:"TYPE";s:4:"HTML";}
Манометры ТМ-310.05 осевые с передним фланцем и электроконтактной приставкой производства Росма
Тип ТМ (ТВ, ТМВ), серия 10. Манометры с электроконтактной приставкой предназначены для управления внешними электрическими цепями в схемах сигнализации, автоматики и блокировки технологических процессов.
Электроконтактная группа снабжена указателями, с помощью которых осуществляется настройка приставки на пороговое значение (значение уставки).
Электроконтактная группа приставки механически связана со стрелкой показывающего прибора, и при превышении значения уставки происходит замыкание или размыкание (в зависимости от типа приставки) электрической цепи.
Область применения: теплоснабжение, водоснабжение, вентиляция, машиностроение.
Карта заказа манометра
| Тип | манометр | ТМ |
| вакуумметр | ТВ | |
| мановакуумметр | ТМВ | |
| Диаметр корпуса, мм | 63 | 3 |
| Материал корпуса | сталь | 1 |
| Материал штуцера и чувствительного элемента | медный сплав | 0 |
| Присоединение (расположение штуцера) | осевое с передним фланцем | ТКП |
| Гидрозаполнение | нет | 0 |
| Электроконтактная приставка | Исполнение V | 5 |
| Диапазон показаний давлений, МПа | ТМ | 0…0,1 / 0,16 / 0,25 / 0,4 / 0,6 / 1 / 1,6 / 2,5 / 4 / 6 / 10 / 16 / 25 |
| ТВ | −0,1…0 | |
| ТМВ | −0,1…0,15 / 0,3 / 0,5 / 0,9 / 1,5 / 2,4 | |
| Резьба присоединения |
G¼; M12×1,5 |
|
| Класс точности | 2,5 |
Манометры ТМ серии 10
| Тип | Диаметр корпуса | Класс точности | Диапазон показаний давлений, МПа |
Резьба присоединения |
Присоединение (расположение штуцера) |
Цена с НДС, руб. |
|---|---|---|---|---|---|---|
|
ТМ-310.05 |
63 | 2,5 | 0…0,1 / 0,16 / 0,25 / 0,4 / 0,6 / 1 / 1,6 / 2,5 / 4 / 6 / 10 |
G¼ / M12×1,5 |
осевое | Цена по запросу |
| 0…16 / 25 |

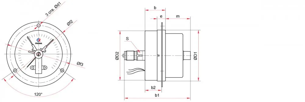
| Тип | Ø | D1 | D2 | b | b1 | b2 | e | m | S | G | d1 | f2 | f3 | Вес |
|---|---|---|---|---|---|---|---|---|---|---|---|---|---|---|
| ТМ-310ТКП.05 | 63 | 60 | 59 | 30 | 86 | 24 | 17 | 30 | 12 |
G¼ или M12×1,5 |
5 | 83 | 71 | 0,20 |
Документы
Морской регистр ТМ
477,9 кб
Разрешение на применение Казахстан
526,3 кб
Сертификат ТМ
575,4 кб
Сертификат ТМ_ТВ_ТМВ_ТМТБ
1,3 мб
Декларация ТС Манометры ТМ с ЭКМ
314,2 кб
Заключение ЭПБ сентябрь_2021
1016 кб
Методика поверки ТМ - МП 406121-2018
532,6 кб
a:2:{s:4:"TEXT";s:296:"
";s:4:"TYPE";s:4:"HTML";}
";s:4:"TYPE";s:4:"HTML";}
Морской регистр ТМ
477,9 кб
Разрешение на применение Казахстан
526,3 кб
Сертификат ТМ
575,4 кб
Сертификат ТМ_ТВ_ТМВ_ТМТБ
1,3 мб
Декларация ТС Манометры ТМ с ЭКМ
314,2 кб
Заключение ЭПБ сентябрь_2021
1016 кб
Методика поверки ТМ - МП 406121-2018
532,6 кб
Отзывы
Оставить отзыв
Загрузка отзывов...
Вам также может понравиться
